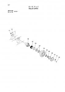
Hitachi EG70R Top Roller

Hitachi EG70R top roller
00. Y904590 [1] – SHAFT
01. Y434029 [1] – SEAL;GROUP
02. Y200195 [1] – ROLLER;UPPER
03. 940144 [1] – RING;RETAINING
04. 995797 [2] – BRG.;BALL
05. Y434063 [1] – WASHER;LOCK
06. Y434062 [1] – NUT;LOCK
07. Y434061 [1] – CAP
08. A810070 [1] – O-RING
09. 94-2011 [1] – PLUG
10. J010825 [8] – BOLT;SEMS
11. J921470 [1] – BOLT
12. J222014 [1] – WASHER